采用阿爾法6000磁通矢量變頻器在水力碎漿機上的設計
發布時間:2015-03-02 09:39:38瀏覽次數:2628
一.摡述
造紙企業是高耗能企業,據統計,每噸紙耗能都在500KWh以上。水力碎漿機是制漿造紙工業中最常用的碎漿設備之一,主要碎解漿板、廢舊書本、廢舊紙箱等。水力碎漿機是耗電非常高的一些單體設備,其最大的缺點是耗能高,生產能力相對較小,工作效率低。在目前的造紙裝備中,水力碎漿機有立式和臥式,單轉盤和雙轉盤,間歇操作和連續操作等不同形式。本文主要闡述寧波某造紙廠車間應用變頻節能技術對水力碎漿機進行改造的情況。
二.立式水力碎漿機主要組成和工作原理
立式水力碎漿機主要結構有槽體、轉子(葉輪)、底刀環和電機等。一般轉盤的圓周速度為1000m/min,槽體直徑為1—6m。我國目前水力碎漿機的容積有1—30立方等多種型號。
工作原理:啟動電機,葉輪開始轉動,槽體中的漿料沿著軸線中心吸入,從圓周高速拋出,形成劇烈的湍流循環。由于葉輪翼的撕扯及不同速度的漿流層的相互濡動,產生一種巨大的摩擦作用,使漿料在濕態中強烈疏解、分離纖維,同時纖維束又在葉輪與篩板的間隙中互相摩擦,增加纖維化的作用。
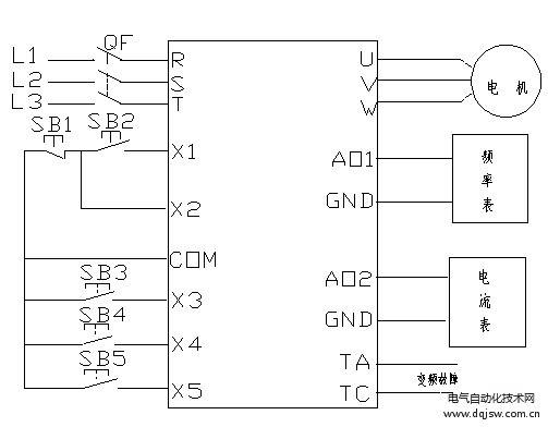
三.系統配置
對立式水力碎漿機原有系統存在的問題,采用變頻器軟啟動和無極調速功能對原來控制系統進行優化。本系統選用阿爾法6000系列變頻器,具有多種保護功能,低頻啟動力矩大,啟動平滑,響應快等特點。系統配置電路圖如下:
大力碎漿機接線圖.jpg
四.用戶使用后的收益
1.采用變頻控制解決了原來傳統的星-三角啟動所引發的一系列問題,經過測算綜合節電效率高達25%以上。由于變頻器對電機起到軟啟動作用,極大減少電機啟動對電網的沖擊。
2.采用變頻控制后,電機漿泵的轉速下降,軸承.等機械部分磨損降低,泵端密封系統不易破壞,機泵的故障大為降低,維修工作量也隨之減少。
- 2021-02-202021信杰電氣開工大吉
- 2020-09-23變頻器常見故障及處理
- 2020-09-01智能制造時代下,國產變頻器產業的發展機遇" target="_blank" >智能制造時代下,國產變頻器…
- 2020-08-25科技為城市建設提速護航" target="_blank" >科技為城市建設提速護航
- 2018-01-30信杰電氣2018年春節放假通知
- 2017-12-05信杰即將亮相第十七屆倫教木…
- 2017-05-03喜迎”五一"勞動節
- 2017-03-14信杰公司順利通過2016年高新…
- 2017-02-27信杰聯合順德服務中心舉辦財…
- 2017-01-16信杰2017年春節放假通知
- 2017-01-16節假期間變頻器保養注意事項
- 2017-01-052016年年歡晚會暨第四季度生…
- 2016-11-22變頻器怎樣使用最省電?
- 2016-11-08變頻器哪些部件需要定期更換
- 2016-10-17變頻器維修的幾種實用方法
- 2016-10-04信杰即將亮相第二屆中國(廣…
- 2016-09-172016年信杰公司廣西之旅
- 2016-07-19熱烈祝賀我司榮獲“廣東省守…
- 2016-07-14助力國產變頻器崛起的三大發…
- 2016-07-13關于變頻器,總有一些你不知道…



